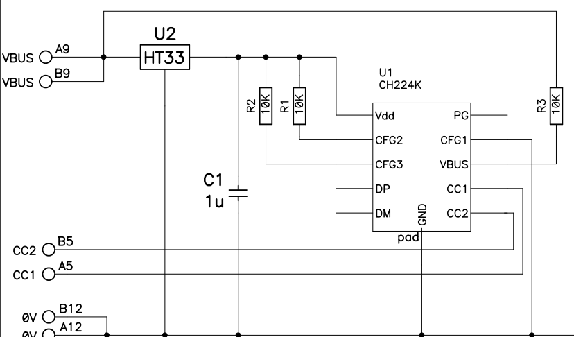
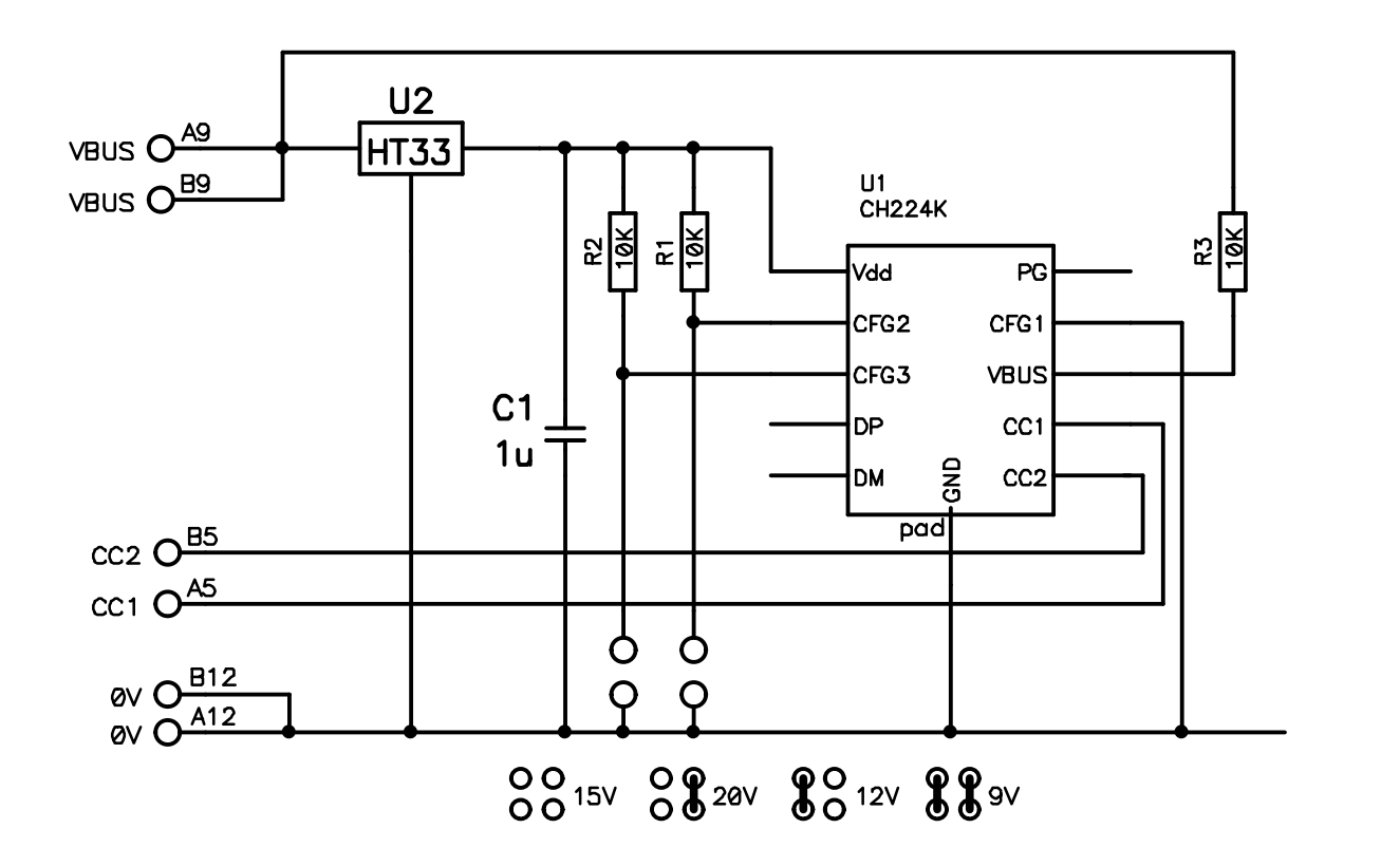
Handy PCB to modify equipment to use of USB-C instead of a bunch of random power adaptors.


(Note voltage markings on PCB silkscreen legend above are wrong)
Multiple holes are provided for various connection options - using ~0.8mm
tinned copper wire from both sides to go into the slots
for the powerjack connector is usually strong enough to not need any additional
support. Some epoxy can be used if more
support is needed. Long 0.1" pin header pins can also be used for strength.
|
s![]() |
usbc_5up_gerber.zip ![]() |
Gerber files for 5-up panel ( only 1 copy, with 5-up outline) Fab notes : Plated slots in plated_slots layer. Recommend 0.8m thickness (for USBC socket pins) "Panel by customer", 5 cols x 1 row ( necessary for assembly) |
usbc_1up_gerber.zip![]() |
Single image with breakout |
| usbcbom.csv usbcpp.csv |
BOM and pick/place file for JLCPCB If parts out of stock , select alternates based on: U1 : WCH CH224K SOP-10 U2 : XCH HT33 regulator. JLC part C19712023 SOT-23 3.3v out, Vin max 30V pin1 gnd, pin 3 vin, pin 2 vout J1 : USBC 6 pin type with power-only pins LCSC C29780875 Samzo UKDBBTAAA JLCPCB quote 15 Jul 2025 for 5x 5-up panels, 0.8mm, $94 + shipping |
| usbc.pcb | PCAD2006 binary PCB file ( 1-up with 5-up outline - needs step/repeat) |
| usbc_1up_ascii.pcb | PCAD2006 ASCII PCB file ( should import in to Altium ) |
| usbc_odb.zip | ODB++ PCB file |
| usbcdxf.zip | DXF all layers ( quality may be poor due to bad DXF export in PCAD2006) |
| USB-C_kicad.ZIP | Kicad project, courtesy of Andrew Potter |
USBC "trigger" /PD Sink chips
| WCH
CH224 |
Various versions, some with I2C comms. DFN10,SSOP10,QFN20,SOT23-6.
Voltage config by links or resistor 5,9,12,15,20,28V. |
|
| Hynetek HUSB238 | Can switch external load. SOT-33 or DFN10. 5,9,12,15,18,20V. Can indicate current draw to PSU via resistor. I2C option |
|
| Injoinic IP2721 | TSSOP16, Two different versions 5,15,20v and 5,9,12V. can switch exernal load. | |
| Diodes AP33772S | QFN24, I2C , load switching. 5,9,12,15,20,28V via resistor, overcurrent protection | |
Examples :
| Brother label printer 12V ( note centre negative ) | |
![]() |
![]() |
| Applent LCR meter ( 9V) | |
|
|